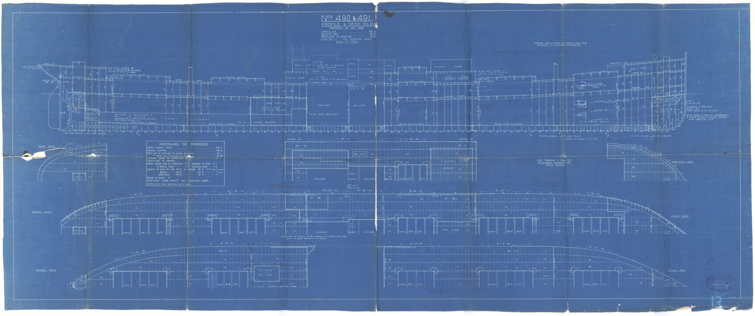
The Floristan was a large general cargo steamship of 5478 gross tons, 3483 net tons launched on 19th June 1928 from the yard of J. Redhead & Sons of South Shields (Yard No.491), and registered in London. Her dimensions were 415.3′ x 54.2′ x 27.6′ and she was powered by a triple expansion steam engine by Redhead delivering 630 nominal horse power. Built for the Strick Line (1928) Ltd she successfully carried large cargoes to ports around the world until the outbreak of World War Two. She was requisitioned for war transport within weeks of the outbreak of hostilities remaining under the management of the Strick Line. Throughout 1940 and 1941 she operated mainly between ports of Britain and northern Europe with a couple of voyages to ports further afield in the Middle east and as far as India and Pakistan.
In January 1942 Floristan was loaded at Manchester with a varied cargo including two complete locomotives as deck cargo and military stores. She set sail on 15th January, 1942 joining convoy OS 17 which was destined for Freetown, West Africa and the Persian Gulf. The large convoy consisted of fifty six merchant ships and fourteen escort vessels. On the 18th, as the convoy left the more sheltered waters off the North Channel, they ran into a full Atlantic storm.
The Floristan became separated from the convoy and, following a signal from the Convoy Commodore, her master decided to head for Oban and shelter. By early morning on the 19th January the Floristan was off the west coast of Islay, her crew searching for a fix on Oversay Lighthouse. Unfortunately they were unable to locate the beacon due to very poor visibility and made slow progress before running ashore at Kilchiaran Bay later that day. The Port Askaig lifeboat was launched at 11:35pm but, by the time she reached the stranded vessel, the crew, including DEMS gunners, military AA personnel, and six passengers had already reached the shore safely in the ship’s boats.
The first report of the fate of the Floristan was made to her owners and to the insurers at Lloyds the following day and stated that there was little prospect of salvage as her back had broken. On the 21st the weather had subsided enough for the master to get aboard his ship and make a full investigation of the situation. He reported the ship lying across the entrance to the bay with her bow close to the north shore, sitting on an even keel aground fore and aft with her back broken immediately behind the bridge. She had water in all her holds and in the engine room but he expected to be able to salvage most of the cargo. Once again the Islay weather was to take a hand as, during the next week, the sea pounded the ship and by 27th she had broken in completely in two and had been driven further inshore. The bow was almost submerged and listing heavily towards the shore and, although salvage of stern section cargo was still felt to be possible, the position of the wreck made approach by coaster to offload any cargo impossible.
The wreck was visited in 1943 by the ship breaking firm of W.H. Arnott Young. It is not known if they worked the wreck. Some images from their visit are included below. Note, two of the pictures were probably taken in 1942, and shortly after the Floristan went aground.
The wreck of the Floristan lies in position 55°45.129’N, 006°28.234’W (GPS) which is at the entrance to Kilchiaran Bay. The wreckage is spread over a wide area with the contents of cargo holds being the most recognisable items.
The seabed in the area is around 10 metres but the wreckage is piled high reaching to within a few metres of the surface in places. The huge chassis of the locomotives lie upside down and are surrounded by jeeps, tyres, batteries and many other items of military supplies. The boiler is the only large item remaining visible of the ship itself. The only hazard at this site is its exposure to the west and the prevailing wind and swell. Even in good weather conditions the wreck is often subject to a heavy ground swell. During summer months the site is heavily covered with large fronds of kelp, and added problem when diving the wreckage.
We would like to thank W. Sloan Smith for allowing us to reproduce pictures from his photographic collection which records the work of the ship breaking company – W.H. Arnott Young & Company Ltd., of Dalmuir and Troon.
We would also like to thank Lloyd’s Register Foundation – Heritage & Education Centre for allowing us to reproduce documents from their archive in this article.







